产品列表
Products list产品描述
网站首页 - 产品中心 - 蒸汽锅炉用大功率电加热法兰组
| 蒸汽锅炉用大功率电加热法兰组 | |||||||||
我公司先后与国内多家大中型锅炉厂、医疗器械厂消毒用的电加热器蒸汽锅炉长期配套各种单支、法兰组、大功率集束式电加热器,尤其是与全国最大的医疗器械厂 — 山东新华医疗器械股份有限公司,全国消毒灭菌研究中心长期配套消毒用蒸汽锅炉大功率电加热器, 2003 年非典期间,北京建造的小汤山医院用的大型的消毒柜就是由国家指定新华公司提供的。我公司的电加热 — 消毒柜的心脏设备发挥重要作用,受到了中央政府的高度赞扬。 特点:
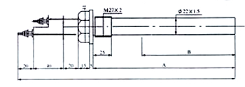
1 、表面功率大,是空气加热表面负荷的 3 ~ 7 倍。 高度密集式、结构紧凑。如一个 60KW 加热炉芯所占空间≤ 140 ,插入深度≤ 400 ; 240KW 所占空间≤ 220 ,插入深度≤ 800 。由于整体短而密集,故稳定性好,安装无需支架。
3 、组合式大多利用紧固装置的形式,即每支电热管上焊有紧固件套管,然后与法兰盖连接采用螺母锁紧,管子与紧固件采用氩弧焊接,焊接处永不泄漏。紧固件密封处采取科学的工艺,能在 1.0MPa 的 200 ℃ 蒸汽锅炉中长期工作不泄漏。单支更换极为方便,大大节约以后的维修成本。 4 、选择进口及国内优质材料。科学的生产工艺,严格的质量管理,保证了电热管优越的电气性能。如加热时不易产生水垢,使用寿命长。深受广大用户的信赖。
|
|||||||||






